Grundfos ALPHA3 on seuraavan sukupolven kiertovesipumppu, jossa on Bluetooth-yhteys. ALPHA3 tarjoaa siis kaikki tutu toiminnot, mutta se on entistäkin älykkäämpi. Bluetooth-yhteyden ansiosta voit työskennellä fiksummin, sillä se tarjoaa parhaat vaihtoehdot asennuksen aikana, ja kodinomistaja saa nauttia käyttömukavuudesta ja kustannussäästöistä. ALPHA3 pumpussa on myös sisäänrakennettu lämmitysjärjestelmän tasapainotustoiminto.
Liitinparin lvi-numero 4615904.
-
Tuotenumero
-
Toimittajan tuotenumero:
-
EAN koodi:
-
Materiaaliluokka
Tekniset tiedot
-
Tulopuolen nimellishalkaisija: 1.1/2" (40)
-
Ulostulopuolen nimellishalkaisija: 1.1/2" (40)
-
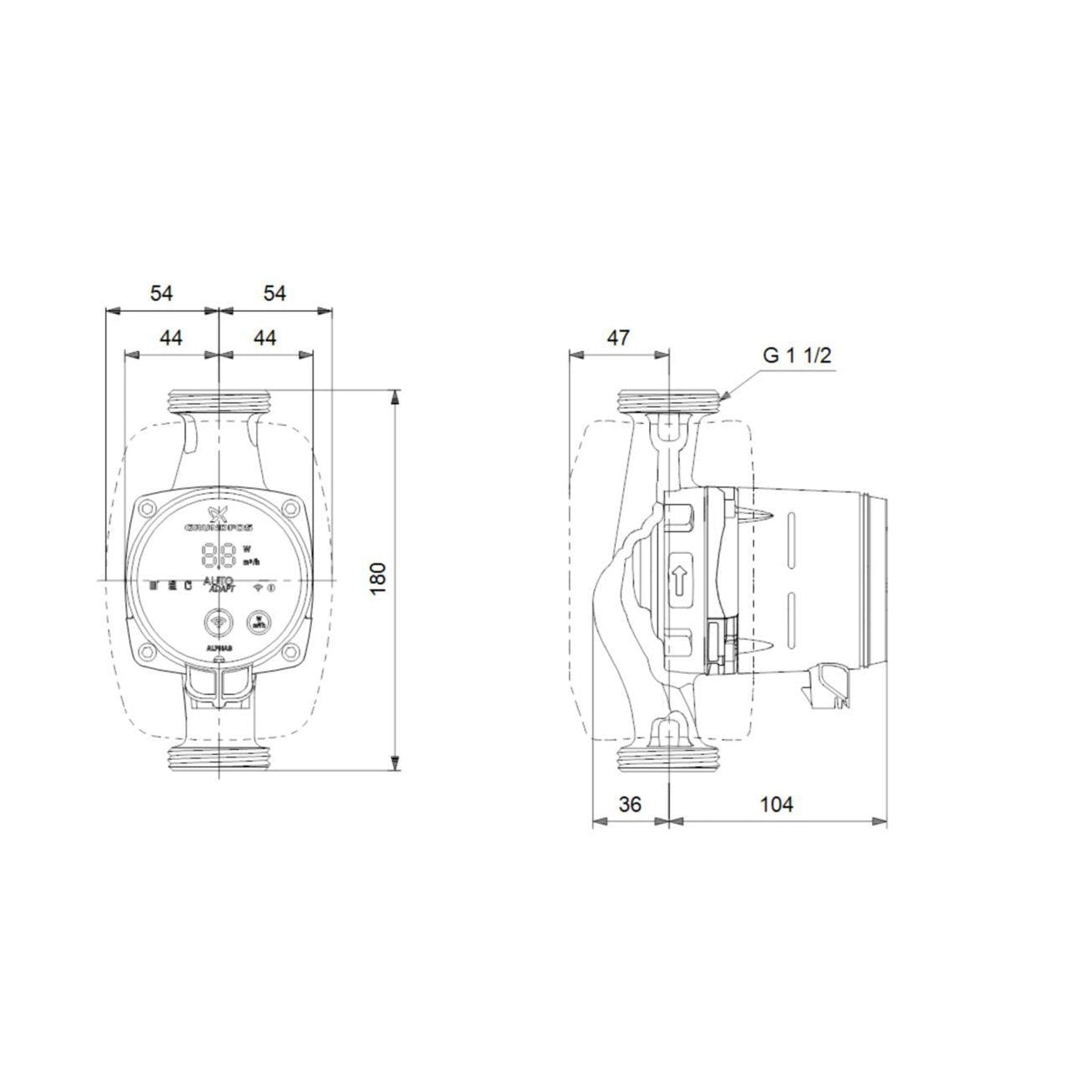
Upotuspituus: 180
-
Tulopuolen laipan paineluokka: PN 10
-
Ulostulopuolen laipan paineluokka: PN 10
-
Eristysluokka IEC mukaan: F
-
Kotelointiluokka (IP): IPX4
-
Taajuus: 50/60 Hz
-
Moottorin nopeuden säätö: sisäänrakennettu
-
Siipipyörän materiaali: muu
-
Staattinen maksimikorkeus: 4
-
Väliaineen lämpötila (jatkuva): 2-110 °C
-
Moottorinohjauksen tyyppi: portaaton
-
Energiatehokkuusindeksi (EEI): 0.15
-
Sähköinen liitäntä: muu
-
Moottorin ottoteho (P1): 0.018
-
Kaksoispumppu: ei
-
Nimellisvirta: 0.18
-
Siipipyörän materiaalin laatu: muu
-
Paine tilavuusvirralla (BEP): 19.71
-
Pumpun kuorimateriaalin laatu: valurauta EN-GJL-150 (GG 15)
-
Pumpun kuorimateriaali: valurauta
-
Vaiheiden lukumäärä: 1
-
Tulopuolen liitäntä: lieriömäinen ulkopuolinen putkikierre
-
Ulostulopuolen liitäntä: lieriömäinen ulkopuolinen putkikierre
-
Mitoitusjännite: 230 V
-
Tulopuolen standardi: EN 1092-2
-
Ulostulopuolen standardi: EN 1092-2
-
Rajapinta PT100 / PT1000 / PTC: ei
-
Rajapinta PWM (Pulssinleveysmodulaatio): ei
-
Impulssilaskurirajapinta (Pulse counter): ei
-
Rajapintasignaali 0-10 V / 2-10 V: ei
-
Rajapintasignaali 0-20 mA / 4-20 mA: ei
-
Viestintä: ei ole
-
Enimmäiskäyttöpaine: 10
-
RS-232 -liitäntä: ei
-
RS-485 liityntä: ei
-
Tilavuusvirta (BEP): 1.5
-
Potentiaalivapaa pääkatkaisin: ei
-
Radiostandardi 5G: ei
-
WLAN 802.11 standardi: ei
-
Tukee BACnet IP protokollaa: ei
-
Tukee BACnet MS/TP protokollaa: ei
-
Tukee CAN/CANOpen protokollaa: ei
-
Tukee Ethernet/IP-protokollaa: ei
-
Tukee KNX-protokollaa: ei
-
Tukee LIN Bus protokollaa: ei
-
Tukee LON/LONworks protokollaa: ei
-
Tukee Modbus RTU protokollaa: ei
-
Tukee Modbus TCP protokollaa: ei
-
Tukee PROFINET IO -protokollaa: ei
-
Bluetooth standardi: ei
-
Tukee PROFIBUS-protokollaa: ei